PULVERBOX
Boxen är försedd med:
  • Inbyggd belysning
  • Elskåp
  • Frånlugtsfläkt
  • Dubbelmodul för avskiljning av filter
  • Fabriksmonterad med el och lufttryck
Dessutom kan boxen levereras med:
  • hjul eller räls för enkel förflyttning
  • plattform för automater och sprututrustning

 Ladda hem PDF-fil

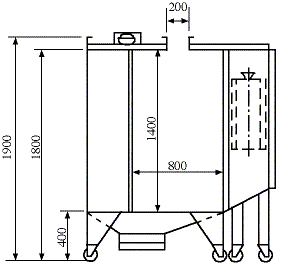
Detaljmått standard
Höjd max
Bredd
Ventilation
1200
500
1,5 m3/s
Detaljen är lättåtkomlig för automatmålning och handmålning från båda sidorna.

© 2000 HE MASKINSERVICE AB, Sweden
[Uppdaterad 2000-07-30]